NO.388 (2026.03.01)
周波数カウンターキットの改造
By
カンガルーおやじさん
ども、Dynaです。
当方が子供の頃は電気工作が大流行で、部品調達のため近所で壊れたラジオやTVをもらい受け、分解しては真空管やトランス等の部品を
押し入れいっぱいに保管していました。(家族は部屋が汚れるため非常に嫌がっていましたが、お構いなしに収集したものです。)
集めた部品の活用方法は、趣味のオーディオ(当方の場合は主にアンプの作製)に使用しましたが、そんなに沢山は必要ないため、ラジ
オやワイヤレスマイクの作製にも大活躍した次第です。同じく電気工作が趣味の兄貴は、アマチュア無線がメインだったため、送受信機
の作製にもそれらの部品を使いました。
当時の電気工作と言っても子供に高度な測定機器は勿論なく、受信機の手作りとなるとコイルの自作が多くなるのですが、所詮子供が作
るコイルですからまったくスペックが分かりません。そのため受信機の周波数を調整するのが暗中模索だったのを覚えています。その際
に、世の中にはディップメーターなる物があり、それがあるとコイル作りや周波数の同調が楽になると知りましたが、当然のことながら
購入することは出来ませんでした。
受信機が完成してバーニアダイアルを回しながらチューニングしていると、今の周波数がどの位なのかまったく見た目では分からないの
で、「数字で表示してくれれば便利だろうな!」と毎回思うのでした。きっと未来になれば出来ると信じていましたが、当時数字を表示
するものは「ニキシー管」しかない時代だったのでこれまた夢の世界でしたね。
さて今般、この2つの夢に関連したレポートをカンガルーおやじさんが送って下さいました。ありがとうございます。拝見すると、周波
数カウンターキットは1000円程度(アリなら300円台?)のようです。これは興味津々ですね。早速拝見しましょう。
By Dyna
メール
周波数カウンターキットの改造

アマゾンで「周波数カウンターキット 1Hz〜50MHz 5桁表示」が千円くらいで売っています。しかし、このキットは完成しても周
波数カウンターとしては使えない代物でした。がっかりしたのは私一人だけではないと思います。
同じものが秋月電子でも売っていたので、説明書をダウンロードしてみました。表紙に「SainSmart 1Hz〜50MHz 5桁表示水晶発
振
子周波数測定キット」と書いてあります。つまり水晶発振子の周波数を表示させるキットということです。「外部入力端子への入力で、
周波数カウンターとして使用できます。」とありますが、注意書きには「外部入力レベルは+2.5Vを中心に振幅する必要があります。
また、外部入力はPICマイコンに入力されますので、十分にインピーダンスが低く、P−P5Vの振幅がある信号源をお使いください。」
と書いてあります。
周波数カウンターの一般的な使い方は、ラジオの受信周波数を表示させたり、実験で発振の周波数を調べることだと思います。+2.5V
を中心にP−P(ピーク間電圧)が5Vもありません。
ネットで検索すると、この周波数カウンターにプリアンプを付けて周波数カウンターとして使う例がいくつか出ています。トランジスター
2石くらいの簡単なプリアンプです。しかし、外付けでプリアンプを作るのは面白くないので、なんとかこのキットのプリント基板の上
にプリアンプを作ってみることにしました。
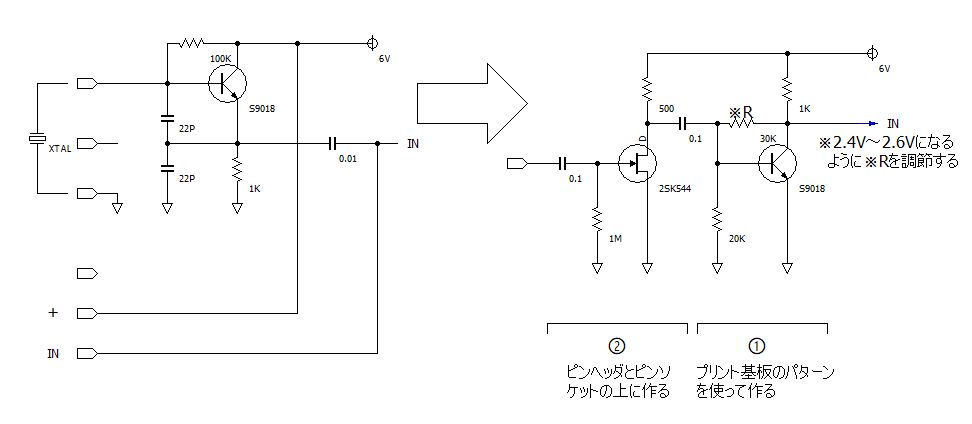
回路を調べると、プリント基板の左下のトランジスターと数個の部品が水晶発振回路だとわかったので、この部分を改造してプリアンプに
することを検討しました。

元の回路を図のように改造します。図の@の部分をプリント基板の配線をそのまま使って作ります。違う回路をプリント基板のパターン
に乗せたポイントは、トランジスターの足を横にずらしたことです。エミッターは、近くのアースに接続しています。Aの部分は、増え
る部品なのでピンヘッダーとピンソケットを利用して作ります。
回路は、Radio Experimenter’s Blog様のものを参考にしました。

プリアンプをブレッドボードで試作します。出力の箇所が2.4V〜2.6Vになるように※Rを調整します。今回は、※Rが30KΩで
2.6Vになりました。
写真のように、キット基板とブレッドボードを接続して、周波数カウンターとして作動するか試します。発振源は、ディップメーター
(TRIO DM−801)を使います。
改造方法 まず抵抗3個とジャンパー線、次にトランジスターを取り付けます。

プリント基板に抵抗とジャンパー線(1K抵抗右から102右側の穴)を半田付けします。

続いてトランジスター(S9018)を半田付けします。足の位置が元の場所と違うので注意が必要です。エミッターは、アース(22P右側の穴)
に半田付けします。
この状態で正常に動くかどうかブレッドボードと接続して確認します。

ピンソケット上部のプリント基板に信号入力用のコンデンサーを半田付けしています。
残りのプリアンプの部品を固定するために、キットに付属していた3連ピンヘッダーを使います。穴のないとことにピンを置くために1
番端のピンの下側をカットします。
ピンヘッダーをプリント基板の−と+に差し込んで半田付けします。
写真のようにピンとFET(G)の間に抵抗(1MΩ)、コンデンサー(0.1μF)を半田付けします。
プリント基板のトランジスターS9018左の穴に抵抗(500Ω)を半田付けしてFET(D)に接続しています。FET(D)からの出
力は、コンデンサー(0.1μF)を真下のプリント基板102の左側の穴に接続しています。(上の写真を参考にしてください。)
拡大図です。FET(2SK544)の両側に抵抗とコンデンサーを付けます。

これで完成です。
改造部分がごちゃごちゃしていますが、部品数が増えたのでやむを得ないでしょう。当初の目標どおりプリント基板の大きさに収まりました。
音声周波数393Hzを入力しています。低周波も表示できるようです。
高い周波数は、77MHzまで表示しました。仕様の50MHzより高い周波数まで表示します。

ちなみに、TRIOのディップメーターDM−801は、コイルの代わりに2mHの高周波チョークコイル(RFC)を刺すと、450KHzから発信
するので、ラジオの中間周波数トランス(IFT)の調整や同調トラッキング調整に使うことができます。DM−801をお持ちの方は、
是非お試しください。写真は、455KHzを表示しています。
この周波数カウンターは、プラスチックの名刺ケースにちょうど入る大きさです。名刺ケースに入れてディップメーターに取り付けてみま
した。(ディッ
プメーターの電源が9Vなので、レギュレーターで6Vに降圧しています。)名刺ケースの色がスモークなのでデジタル表示が
見やすくなりました。周波数がデジタル表示されるので、ダイヤルの目盛りを見る必要が無くなりました。

※周波数カウンターキットの改造は、自己責任で行ってください。いかなる事態が生じても当方は責任を負うことはできません。
By カンガルーおやじ
おわりに
レポートありがとうございました。前回のYankさんのレポートではオシロスコープが欲しくなり、今般のカンガルーおやじさんの記事で
は、ディップメー ターや周波数カウンターキットが欲しくなってしまいました。これらは自分が子供の頃、夢を見ていた頃のお宝その物
なのですね。しかし今、実物が手の届くところに現れたのに、なぜか手が出ないのです。それは何故だろうかと考えました。それはおそ
らく「ニーズが少ない」からでしょう。そして、その先には「簡単に夢を実現した製品・機器類が実在する。」からですね。
信州での生活(主に農作業)では、当初トランジスタラジオを持って農作業していました。古民家では外にFMアンテナを立てて屋内でケー
ブルを分配してオーディオ機器で音楽を聞いていました。しかし、最近はスマホで(高音質で)音楽を聞いています。当然スマホをWiFi受
信して聞くのですが、田んぼや畑ではWiFiが入らないので、4Gで聞いたり音楽ファイル(128GB)を再生して聞いています。これが当たり
前になると、昔のアナログ機器は触らなくなり、当然のことながらアナログな調整機器はまったく不用となってしまいました。だから懐
かしさで欲しく思えるのですが、いざ目の前にしても手が出ないのですね。(家族から「物が増える」と怒られますから…。)
でも最近アナログレコードが流行って来ているように、「手間がかかるが面白い!」「ジャケットが良い!」などのアナログが楽しい時代
になって来ています。アマチュア無線をやらない当方ではディップメーターのニーズは少ないですが、周波数カウンターは1000円程度なら
何かに使って見たいですね。YouTubeの宮甚商店さんのように古いラジオの修理をすれば今回の機器は大活躍できそうですね。
(あくまでも想像でスミマセン)
By Dyna
メール
戻る